您搜索的关键词为:




转筒浓缩脱水机主要用于未经浓缩池浓缩的污泥的处理(如AO法剩佘污泥),依靠转筒浓缩预脱水,即相当于具有浓缩、脱水双重功能,处理量比纯压滤脱水机高。
构造原理
场设计方面:采用先进的技术设计理念,结合国外设计经验,一体化设计,污泥浓缩脱水一体机运行平稳正常,没有冲击、振动和异常声响
结构方面:外观涂装面漆,美观大方,耐化学药性。架构坚固,精巧耐用。
机型方面:全自动控制,自动化程度高,可以远程和现场控制,有效的降低人员劳动力和操作强度。机型结构紧凑,外形美观、占地面积小,有效节省土建成本,同时具有能耗低、噪音低等特点,避免了离心脱水机方面电耗高,维修成本高等的缺点及老式带机的结构庞大结构复杂维护多等缺陷,低耗能、低转速、低噪音,噪音值≤75dB(A)
技术方面:自动气缸纠偏系统,有效防止滤布跑偏,安全报警装置及极限跑偏控制,提高滤布使用寿命和维护成本。污泥脱水契形区采用6-8度角,契形区长度加长,使污泥在进入压榨区之前,有效的控制了进泥饼的均匀度,污泥表面游离水进一步去除,泥饼均匀,得到在压榨区更好的效果。
配件方面:我们脱水机采用优质滤布,P.EX聚酯纤维单丝编织。轴承、气动元件、电气元件和电机均采用优质品牌。
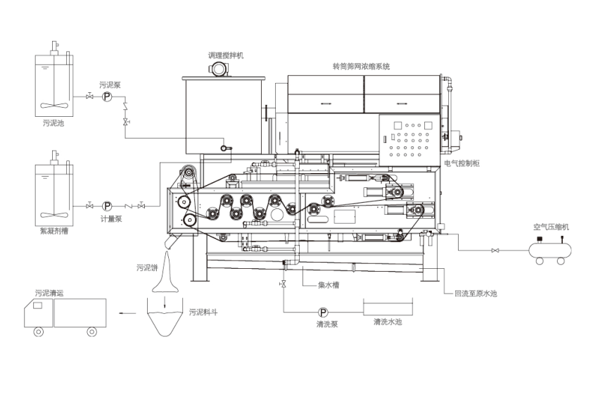
流程图


专注于污水污泥处理设备工程,
集研发生产、工程服务于一体

承接各种污染防治项目已超过
500多项



售后服务24小时免费电话指导,
48小时内响应安排人员。




版权所有:扬州合盟机械环保设备有限公司 备案号:苏ICP备2021022929号-1
您搜索的关键词为: